首页
千亿官方网页版
营销体系
体系认证
千亿(中国)
样本下载
首页
千亿官方网页版
千亿官方网页版
董事长致辞
企业名来历
发展历程
企业战略
企业文化
企业荣誉
员工风采
生产基地
营销体系
服务承诺
行业推荐
体系认证
测试中心站
证书集
ISO9001
ISO14001
OHSAS18001
千亿(中国)
联系电话
人才招聘
公告栏
样本下载
控制千亿(中国)
配电千亿(中国)
智能仪表
成套装置
英文站
首页
>>
产品中心
>>
控制千亿(中国)
>>
接触器
>>
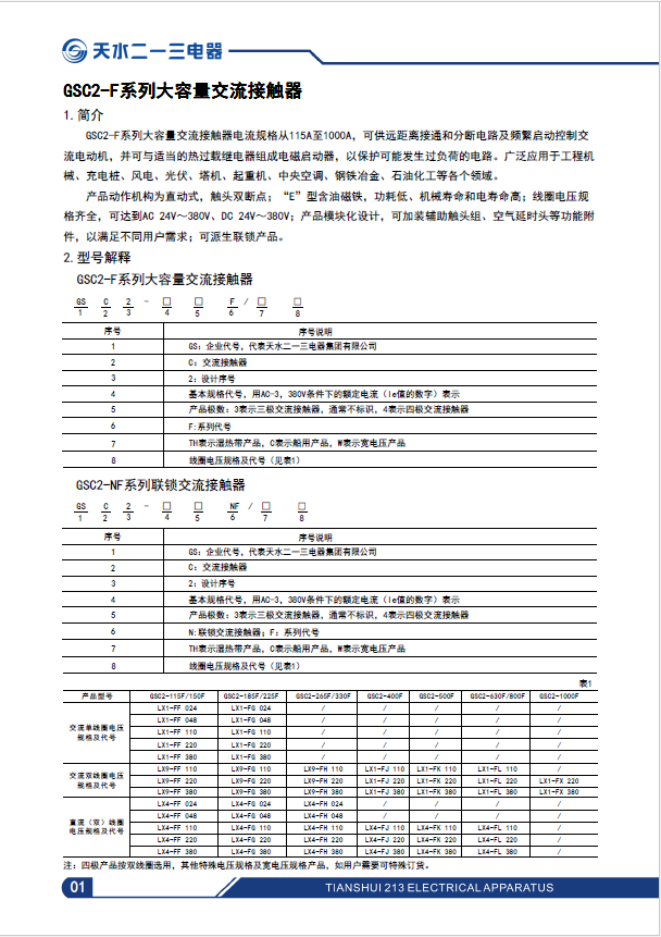
GSC2-F 系列4极交流接触器
>>GSC2-4004F 4P交流接触器
产品中心
控制千亿(中国)
接触器
GSC1系列3极交流接触器
GSC1系列4极交流接触器
GSC1-Z系列3极直流操作接触器
GSC1-Z系列4极直流操作接触器
GSC1-DT系列静音交流接触器
GSN1系列4P联锁交流接触器GSN1系列4P联锁交流接触器
GSC1-DF/DFJ系列封星交流接触器
GSC1-FC系列防尘交流接触器
GSN1系列3P联锁交流接触器
GSC1-30S双极交流接触器
GSC1-Kd系列切换电容器接触器
GSF5系列家用交流接触器
GSC2系列3极交流接触器
GSC2-N系列3极联锁接触器
GSC2-F 系列3极交流接触器
GSZ4系列双极直流接触器
GSC4系列交流接触器
GSC2-F 系列4极交流接触器
继千亿(中国)
中间继千亿(中国)
GSR1系列热继千亿(中国)
GSR1-F系热继千亿(中国)
JZC3系列接触器式继千亿(中国)
接触器及中间继千亿(中国)附件
SK4-d空气延时头
F3-X系列辅助触头
F3-d系列辅助触头
F3-d1系列辅助触头
新能源千亿(中国)
配电千亿(中国)
起动器
保护千亿(中国)
智能仪表
主令千亿(中国)
成套装置
GSC1-DT系列静音交流接触器
GSC2-4004F 4P交流接触器
商品说明
相关商品
GSC2-8004F 4P交流接触器
GSC2-6304F 4P交流接触器
GSC2-5004F 4P交流接触器
GSC2-4004F 4P交流接触器
GSC4-25DH交流接触器
GSC2-3304F 4P交流接触器
GSC2-2654F 4P交流接触器
GSC2-2254F 4P交流接触器
GSC2-1854F 4P交流接触器
GSC2-1504F 4P 交流接触器
GSC2-1154F 4P交流接触器
GSC4-250交流接触器
电话直呼
0938-8362888
15374486213
15374489213
15374488213
微信公众号
发送邮件
企业位置
JIUYOU.COM九游娱乐(中国)官网
|
安博app官网登录入口
|
MK体育在线官网
|
华体会足球_华体会(中国)官网
|
B体育手机在线官网
|
球王会体育官方网站(中国)有限公司
|
千亿官方网页版
|
开云世界杯
|
leyu·乐鱼(中国)体育官方网站
|